电器与能效管理技术 ›› 2025, Vol. 0 ›› Issue (8): 70-78.doi: 10.16628/j.cnki.2095-8188.2025.08.010

• 电能质量 • 上一篇    下一篇

服务器电源轻载电能质量优化设计与控制

李永乐, 张树炜, 张文康, 毛行奎   

  1. 福州大学 电气工程与自动化学院, 福建 福州 350108
  • 收稿日期:2025-05-02 出版日期:2025-08-30 发布日期:2025-09-26
  • 作者简介:李永乐(2000—),男,硕士研究所,研究方向为电力电子变流技术。|张树炜(1999—),男,硕士研究生,研究方向电力电子变流技术。|张文康(1993—),男,硕士研究生,研究方向电力电子变流技术。

Optimization Design and Control of Power Quality for Light-Loaded Server Power Supplies

LI Yongle, ZHANG Shuwei, ZHANG Wenkang, MAO Xingkui   

  1. College of Electrical Engineering and Automation, Fuzhou University, Fuzhou 350108, China
  • Received:2025-05-02 Online:2025-08-30 Published:2025-09-26

摘要:

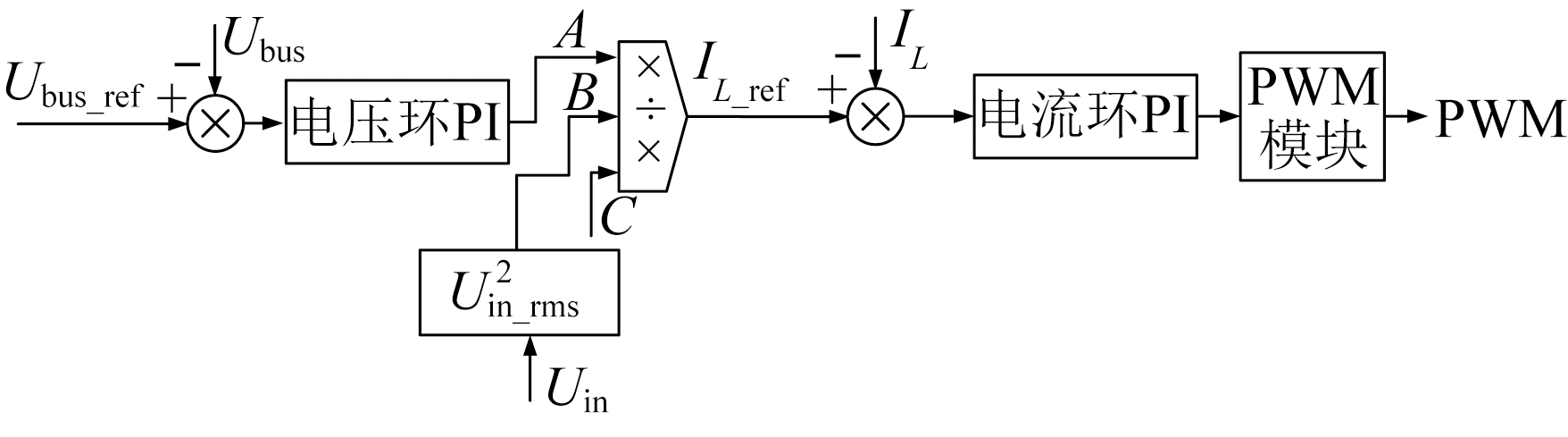
针对服务器电源在轻载工况下电能质量下降的问题,提出一种轻载电能质量优化控制策略。通过分析传统控制策略和电磁干扰(EMI)滤波电路特性,提出X电容电流补偿控制策略以提升轻载功率因数。采用抬偏置、变增益与还原断续导通模式下平均电流于一体的混合控制策略以优化轻载输入电流总谐波失真。研制了1台1 300 W服务器电源样机,实验结果表明,所提策略显著改善轻载条件下的电能质量,功率因数和输入电流总谐波失真,均达到规范要求,验证了所提策略的有效性和优越性。

关键词: 服务器电源, 轻载电能质量, X电容电流补偿, 混合控制策略

Abstract:

The issue of degraded power quality in server power supplies under light-load conditions is addressed by proposing a light-load power quality optimization control strategy.By analyzing the traditional control strategies and the characteristics of EMI filter circuits,an X-capacitor current compensation control strategy is proposed to improve the power factor under light-load conditions.A hybrid control strategy combining offset lifting,variable gain,and average current restoration in discontinuous conduction mode (DCM) is adopted to optimize the input current total harmonic distortion (THD) under light-load conditions.A 1 300 W server power supply prototype is developed.The experimentcl results demonstrate that the proposed optimization control strategy significantly improves power quality under light-load conditions,with both power factor and input current THD meeting the specification requirements,which verifies the effectiveness and superiority of the proposed strategy.

Key words: server power supply, light-load power quality, X-capacitor current compensation, hybrid control strategy

中图分类号: