电器与能效管理技术 ›› 2025, Vol. 0 ›› Issue (8): 79-84.doi: 10.16628/j.cnki.2095-8188.2025.08.011

• 电能质量 • 上一篇    下一篇

简易单相用电器监测分析装置的研制

荣军1,2, 陈松1,2, 李铭泽2,3   

  1. 1.湖南理工学院 信息科学与工程学院, 湖南 岳阳 414006
    2.复杂网络与嵌入式系统湖南省高校重点实验室, 湖南 岳阳 414006
    3.湖南理工学院 南湖学院, 湖南 岳阳 414006
  • 收稿日期:2025-05-29 出版日期:2025-08-30 发布日期:2025-09-26
  • 作者简介:荣 军(1978—),男,副教授,研究方向为电力电子技术。|陈 松(1973—),男,副教授,研究方向为电子技术设计。|李铭泽(2024—),男,研究方向为计算机软件设计。
  • 基金资助:
    湖南省教育厅科学研究项目(湘教通[2024]251号-24C0315);湖南省重点实验室项目(2019TP1014);岳阳市基础研究指导性计划项目(岳市科发[2025]5号);湖南理工学院校企合作产学研项目(2024430607001853)

Design of a Simple Single Phase Electrical Appliance Monitoring and Analysis Device

RONG Jun1,2, CHEN Song1,2, LI Mingze2,3   

  1. 1. School of Information Science and Engineering, Hunan Institute of Science and Technology, Yueyang 414006, China
    2. Key Laboratory of Complex Networks and Embedded Systems in Hunan Province, Yueyang 414006, China
    3. Nanhu College, Hunan Institute of Science and Technology, Yueyang 414006, China
  • Received:2025-05-29 Online:2025-08-30 Published:2025-09-26

摘要:

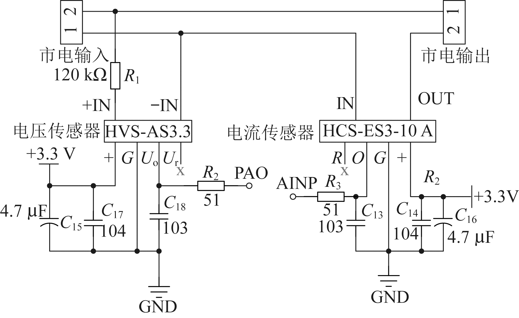
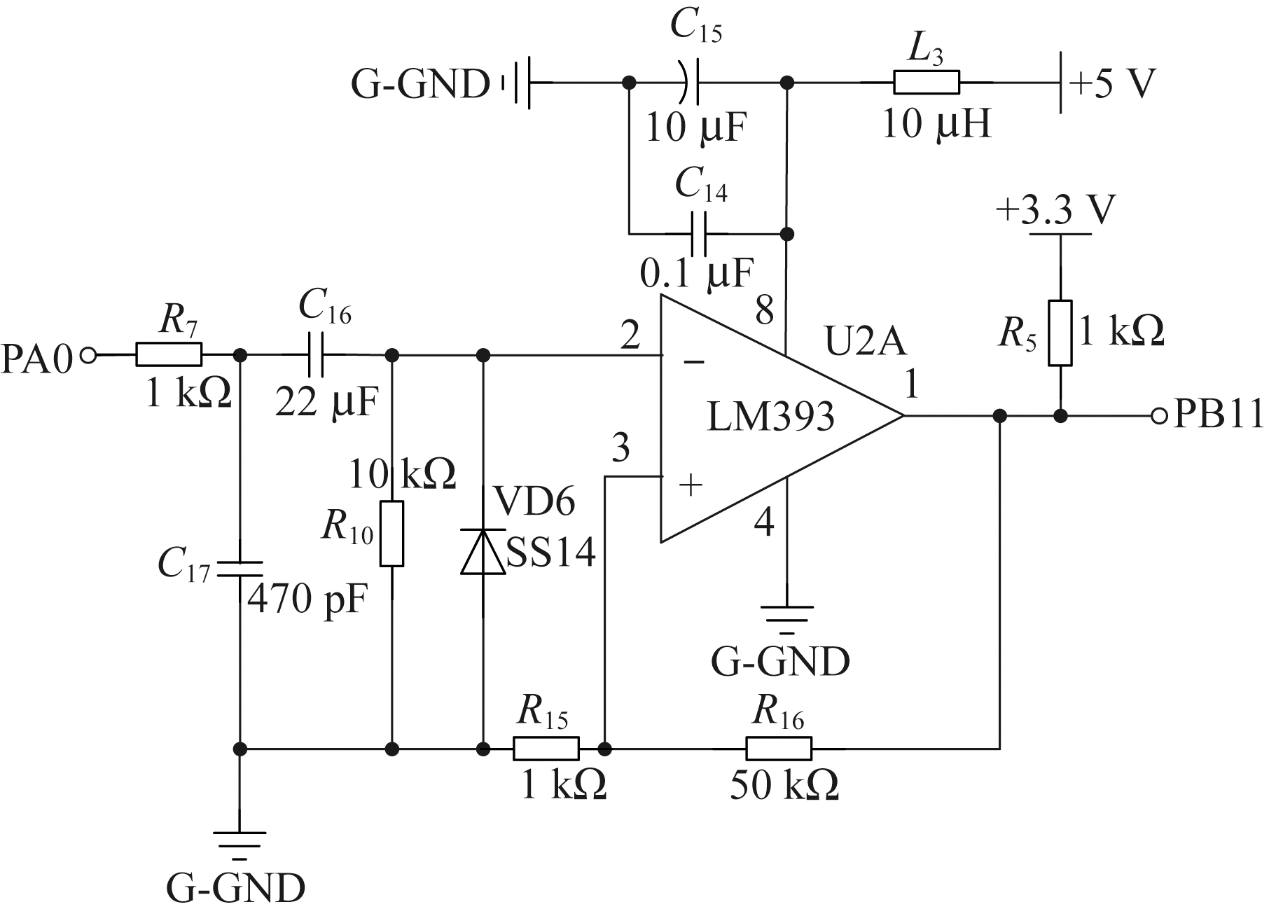
针对市场上用电器监测分析装置测试精度不高的缺点,设计简易型用电器类别与工作状态识别装置。采用基于傅里叶分析的有功功率计算与特征值提取判断方法,同时结合定位识别算法来识别用电器种类和接入数量。首先计算用电器的有功功率和功率因数,然后通过傅里叶分析得到各次谐波功率,最后以有功功率等4个参量作为相似度指标,并利用模板匹配算法完成用电器类别与状态的学习及识别。测试结果表明,所设计装置具有学习功能,并能精准完成用电器状态与类别的识别,其对用电器的种类和数量的测试准确率达100%,具有一定的应用价值。

关键词: 用电器分析, 傅里叶分析, 有功功率, 定位识别法, 相似度

Abstract:

A simple type of electrical appliance category and working status recognition device is designed to address the low testing accuracy of the market electrical appliance analysis and detection devices.The active power calculation and eigenvalue extraction judgment methods based on Fourier analysis are adopted,combined with positioning recognition algorithms, is proposed to identify the type and number of connected electrical appliances.Firstly, the active power and power factor of the electrical appliance are calculated, and then the harmonic power of each order is obtained through Fourier analysis.Finally, by using four parameters including active power as similarity indicators, the template matching algorithm is used to learn and recognize the categories and states of electrical appliances.After testing, the device has a learning function and can accurately identify the status and category of electrical appliances.Its testing accuracy for the types and numbers of electrical appliances reaches 100%, indicating certain application value.

Key words: electrical appliance analysis, Fourier analysis, active power, location recognition method, similarity

中图分类号: