电器与能效管理技术 ›› 2025, Vol. 0 ›› Issue (11): 65-71.doi: 10.16628/j.cnki.2095-8188.2025.11.009

• 检测与试验 • 上一篇    下一篇

用于C2级断路器的容性电流开断试验回路研究及其仿真

成俊奇, 余伟成, 陈允, 李德阁, 徐岩   

  1. 中国电力科学研究院有限公司, 北京 100192
  • 收稿日期:2025-09-25 出版日期:2025-11-30 发布日期:2025-12-11
  • 作者简介:成俊奇(1979—),男,高级工程师,主要从事高压开关试验研究及检测工作。|余伟成(1981—),男,高级工程师,主要从事高压开关试验运行及管理工作。|陈 允(1986—),男,高级工程师,主要从事高压开关试验管理工作。

Research and Simulation of Capacitive Current Breaking Test Circuit for C2 Level Circuit Breakers

CHENG Junqi, YU Weicheng, CHEN Yun, LI Dege, XU Yan   

  1. China Electric Power Research Institute, Beijing 100192, China
  • Received:2025-09-25 Online:2025-11-30 Published:2025-12-11

摘要:

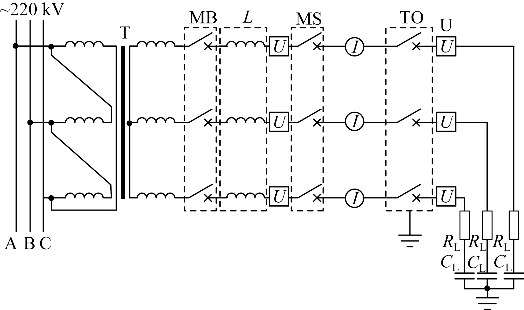
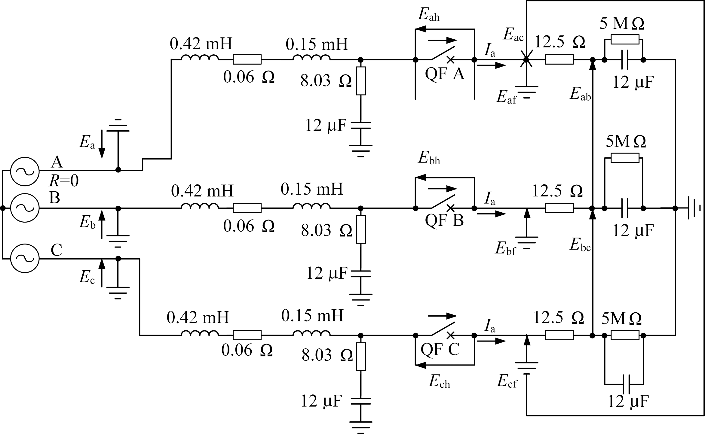
通过PSCAD仿真软件搭建模型,分析断路器在开断单相和三相容性电流后,因重击穿或非持续击穿放电(NSDD)等导致的断口恢复电压及负载电容极板电压变化规律。基于仿真结果,对试验回路进行改造,利用完善后的试验回路开展断路器容性开断试验(以额定电缆充电电流试验为例),试验结果与仿真结果一致。同时,结合GB/T 1984—2024《高压交流断路器》中关于C2级断路器最新规定,对C2级断路器试验过程中出现的一些问题进行详细探讨。

关键词: 断路器, 容性开断, 重击穿, 仿真

Abstract:

A model was established using the PSCAD simulation software to analyze the variation laws of the circuit breaker's fracture recovery voltage and load capacitor plate voltage caused by restrike, non-sustained disruptive discharge (NSDD) and other factors after the circuit breaker interrupted single-phase and three-phase capacitive currents. Based on the simulation results, the test circuit was modified. Using the improved circuit, the capacitive breaking tests of the circuit breaker were conducted with the test of interrupting the rated cable charging current as an example. The test results were consistent with the simulation results. Meanwhile, combined with the latest provisions on class C2 circuit breakers in GB 1984—2024, some problems arising during the testing process of class C2 circuit breakers were discussed in detail.

Key words: circuit breaker, capacitive breaking, restrike, simulation

中图分类号: