电器与能效管理技术 ›› 2026, Vol. 0 ›› Issue (2): 58-66.doi: 10.16628/j.cnki.2095-8188.2026.02.008

• 储能技术 • 上一篇    下一篇

基于柴储协同的非侵入式柔性并网与不停电作业技术

李跃龙, 王德顺, 庄俊   

  1. 国网上海能源互联网研究院有限公司, 上海 201203
  • 收稿日期:2025-10-13 出版日期:2026-02-28 发布日期:2026-03-23
  • 作者简介:李跃龙(1991—),男,高级工程师,主要从事电源车系统集成及电气自动化研究工作。|王德顺(1982—),男,正高级工程师,主要从事新能源与储能系统集成研究工作。|庄 俊(1985—),男,高级工程师,主要从事新能源与储能系统集成研究工作。
  • 基金资助:
    国网天津市电力公司科技项目(SGTYHT/23-JS-003)

Non-Intrusive Flexible Grid-Connection and Uninterrupted Operation Technology Based on Diesel-Storage Coordination

LI Yuelong, WANG Deshun, ZHUANG Jun   

  1. State Grid Shanghai Energy Internet Research Institute Co., Ltd., Shanghai 201203, China
  • Received:2025-10-13 Online:2026-02-28 Published:2026-03-23

摘要:

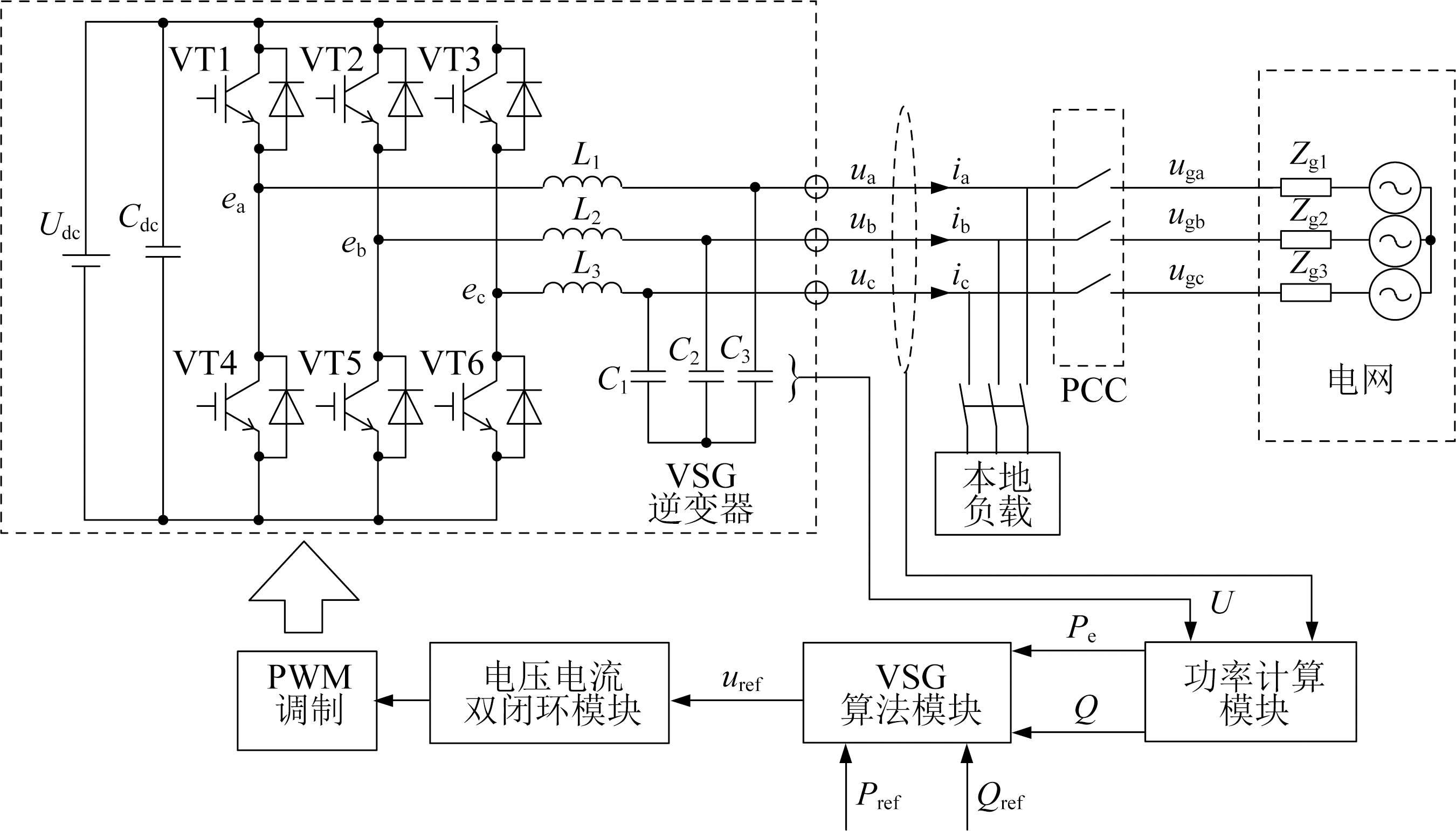
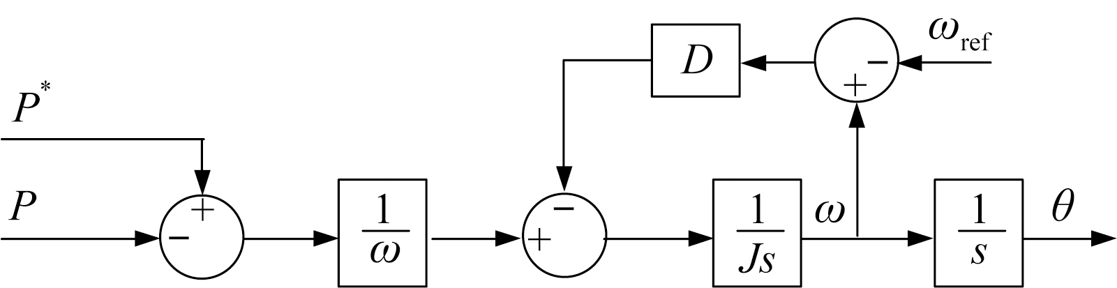
为解决传统低压发电车并网过程中存在的操作复杂、冲击电流大及供电中断等问题,提出一种基于柴储协同的非侵入式柔性并网与不停电作业技术。该技术通过非侵入式采样,融合柴油发电机比例-积分-微分(PID)动态调节及合闸时间预测算法,实现对电压、频率、相位的精准柔性调控。同时,引入基于虚拟同步发电机(VSG)控制的储能系统,快速响应频率电压波动,有效避免柴油发电机因负荷波动出现调速器振荡或机组脱扣现象。工程验证表明,该技术可使现场作业时间缩短66%以上,实现零停电切换,彻底消除“两次短停”,显著提升了作业的安全性与可靠性,适用于配网计划检修与应急抢修场景。

关键词: 柴储协同, 柔性并网, 非侵入式, 不停电作业

Abstract:

To address the issues of complex operation, high inrush current, and power interruption in the grid integration of traditional low-voltage generator vehicles, a non-intrusive flexible grid-connection and uninterrupted operation technology based on diesel-storage coordination is proposed. This technology acquires grid and generator status via non-intrusive sampling, and integrates proportional-integral-derivative(PID) dynamic adjustment of diesel generators with a circuit breaker closing time prediction algorithm to achieve precise flexible control of voltage, frequency, and phase. Meanwhile, it introduces an energy storage system based on virtual synchronous generator(VSG) control for rapid response to frequency and voltage fluctuations, suppressing load impacts. Engineering validation shows that this technology reduces on-site operation time by over 66%, achieves power-outage-free switching, completely eliminates “two brief power interruptions”, and significantly enhances safety and reliability, making it suitable for distribution network planned maintenance and emergency power supply scenarios.

Key words: diesel-storage coordination, flexible grid-connection, non-intrusive, uninterrupted operation

中图分类号: