电器与能效管理技术 ›› 2025, Vol. 0 ›› Issue (10): 28-36.doi: 10.16628/j.cnki.2095-8188.2025.10.004

• 研究与分析 • 上一篇    下一篇

基于改进微源电压与虚拟同步机的光储微电网黑启动控制策略

段柯彤1, 韩子娇2, 董雁楠3, 蔡志远1   

  1. 1.沈阳工业大学, 辽宁 沈阳 110870
    2.国网辽宁省电力有限公司, 辽宁 沈阳 110004
    3.沈阳农业大学, 辽宁 沈阳 110866
  • 收稿日期:2025-05-30 出版日期:2025-10-30 发布日期:2025-11-20
  • 作者简介:段柯彤(2001—),女,硕士研究生,研究方向为新能源并网控制技术。|韩子娇(1988—),女,正高级工程师,主要从事电力系统运行与控制研究。|董雁楠(1992—),男,博士,研究方向为新型储能技术。
  • 基金资助:
    辽宁省博士科研启动基金计划项目(2025-BS-0512)

Black-Start Control Strategy for Photovoltaic-Storage Microgrid Based on Improved Micro-Source Voltage and Virtual Synchronous Generator

DUAN Ketong1, HAN Zijiao2, DONG Yannan3, CAI Zhiyuan1   

  1. 1. Shenyang University of Technology, Shenyang 110870, China
    2. State Grid Liaoning Electric Power Co., Ltd., Shenyang 110004, China
    3. Shenyang Agricultural University, Shenyang 110866, China
  • Received:2025-05-30 Online:2025-10-30 Published:2025-11-20

摘要:

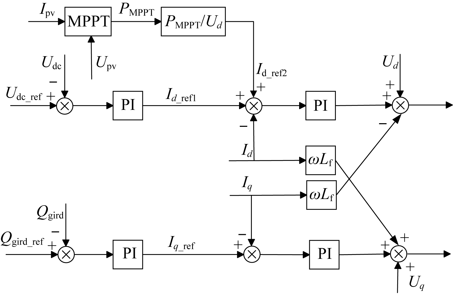
为推动新能源替代传统水电及燃气机组作为黑启动电源,提出基于改进微源电压与虚拟同步机的光储微电网黑启动控制策略。首先,通过调整下垂曲线空载电压幅值并限制升压时间,避免变压器磁通饱和引起的冲击电流;然后,在光伏逆变器中引入虚拟同步机控制,模拟传统同步发电机特性,提升光伏系统稳定性。最后,在MATLAB/Simulink中搭建光储微电网仿真模型并进行分析。结果表明,所提改进的电压控制可避免母线冲击电流并建立稳定电压,虚拟同步机控制增强光伏系统对外界波动的支撑能力,所提控制策略满足黑启动全过程要求。

关键词: 光储微电网, 黑启动, 下垂控制, 虚拟同步机控制, 控制策略

Abstract:

In order to promote new energy to replace traditional hydropower and gas units as black-start power sources, a black-start control strategy for photovoltaic-storage microgrid based on improved micro-source voltage and virtual synchronous generator is proposed.Firstly, by adjusting the no-load voltage amplitude of the droop curve and limiting the boost time, the inrush current caused by the saturation of the transformer flux is avoided.Then, the virtual synchronous generator control is introduced into the photovoltaic inverter to simulate the characteristics of the traditional synchronous generator and improve the stability of the photovoltaic system.Finally, the simulation model of photovoltaic-storage microgrid is built and analyzed in MATLAB/Simulink.The results show that the improved voltage control can avoid the bus inrush current and establish a stable voltage.The virtual synchronous control enhances the support of the photovoltaic system to external fluctuations.The proposed control strategy meets the requirements of the whole process of black-start.

Key words: photovoltaic-storage microgrid, black-start, droop control, virtual synchronous generator(VSG) control, control strategy

中图分类号: