电器与能效管理技术 ›› 2025, Vol. 0 ›› Issue (11): 59-64.doi: 10.16628/j.cnki.2095-8188.2025.11.008

• 配网技术与系统 • 上一篇    下一篇

基于YOLOv5和回溯算法的变电站二次接线图纸连接关系智能识别

邱慧1, 虞悦1, 汤琳2   

  1. 1 扬州浩辰电力设计有限公司, 江苏 扬州 225000
    2 扬州广源集团有限公司, 江苏 扬州 225000
  • 收稿日期:2025-06-24 出版日期:2025-11-30 发布日期:2025-12-11
  • 作者简介:邱 慧(1992—),女,工程师,主要从事电力系统研究工作。|虞 悦(1995—),女,工程师,主要从事电力系统研究工作。|汤 琳(1988—),女,工程师,主要从事电力工程施工及运维研究工作。
  • 基金资助:
    国网江苏省电力有限公司省管产业2024年科技项目资助(JC2024092)

Intelligent Recognition of Connection Relationships in Secondary Wiring Drawings of Substations Based on YOLOv5 and Backtracking Algorithm

QIU Hui1, YU Yue1, TANG Lin2   

  1. 1 Yangzhou Haochen Electric Power Design Co., Ltd., Yangzhou 225000, China
    2 Yangzhou Guangyuan Group Co., Ltd., Yangzhou 225000, China
  • Received:2025-06-24 Online:2025-11-30 Published:2025-12-11

摘要:

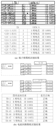
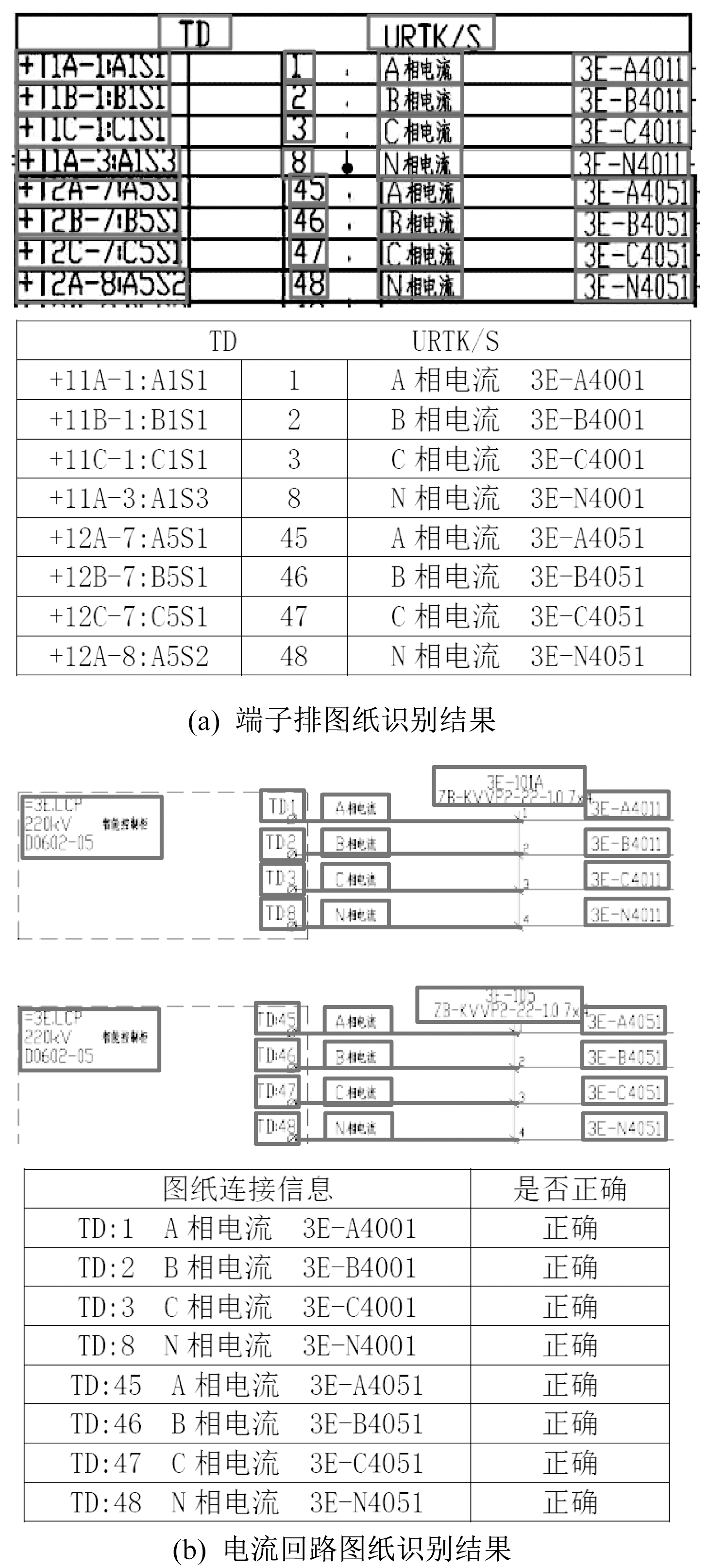
变电站二次接线图纸是变电站运行维护的重要依据,人工审核图纸存在效率低、准确性差的问题。为此,提出一种结合YOLOv5(You Only Look Once version 5)和回溯算法的变电站二次接线图纸连接关系智能识别方法,用于提高变电站二次接线图纸处理的效率和准确性。结合YOLOv5模型和光学字符识别(OCR)技术实现对二次图纸的自动识别与信息提取,再利用回溯算法对提取的连接信息进行验证,判定二次图纸的连接关系。通过实例验证表明,所提方法可成功识别出接线图纸回路连接关系,并且识别准确率最低为96.50%,平均识别准确率为97.22%,识别效率较人工识别提升约5倍,验证了所提方法的有效性。

关键词: 变电站, 二次接线图纸, YOLOv5, 智能识别

Abstract:

The secondary wiring drawings of the substation are an important basis for the operation and maintenance of the substation.Manual review of the drawings has problems of low efficiency and poor accuracy.Therefore, an intelligent recognition method for the connection relationship of secondary wiring drawings in substations, which combines YOLOv5 and the backtracking algorithm,is proposed to improve the efficiency and accuracy of processing secondary wiring drawings in substations.The YOLOv5 model and optical character recognition (OCR) technology are integrated to achieve automatic recognition and information extraction of secondary drawings.The backtracking algorithm is used to verify the extracted connection information and determine the connection relationship of secondary drawings.Through examples, it is verified that the proposed method can successfully identify the circuit connection relationship in the wiring drawings, with a minimum recognition accuracy of 96.50%, an average recognition accuracy of 97.22%, and a recognition efficiency approroximately 5 times higher than that of manual recgnition, which verifies the effectiveness of the proposed method.

Key words: substation, secondary wiring drawings, YOLOv5, intelligent recognition

中图分类号: