电器与能效管理技术 ›› 2024, Vol. 0 ›› Issue (5): 61-66.doi: 10.16628/j.cnki.2095-8188.2024.05.008

• 电气设计与探讨 • 上一篇    下一篇

飞机开关类器件电磁线圈反向电动势冲击危害与线路系统防护研究

孟欣1, 郭京2, 郑智超3, 王赛1   

  1. 1.海军航空大学青岛校区, 山东 青岛 266041
    2.92727部队, 山西 长治 046000
    3.91900部队, 海南 三亚 572000
  • 收稿日期:2023-12-21 出版日期:2024-05-30 发布日期:2024-06-25
  • 作者简介:孟 欣(1993—),男,讲师,研究方向为航空电气与装备保障。|郭 京(1983—),男,工程师,主要从事航空机务保障工作。|郑智超(1998—),男,工程师,主要从事航空机务保障工作。
  • 基金资助:
    海军航空大学青年基金项目(I32104001)

Research on Hazards of Electromagnetic Coil Reverse Electromotive Force in Aircraft Switch Devices and Protection of Wiring Systems

MENG Xin1, GUO Jing2, ZHENG Zhichao3, WANG Sai1   

  1. 1. Qingdao Campus of Naval Aeronautical University, Qingdao 266041, China
    2. Unit 92727, Changzhi 046000, China
    3. Unit 91900, Sanya 572000, China
  • Received:2023-12-21 Online:2024-05-30 Published:2024-06-25

摘要:

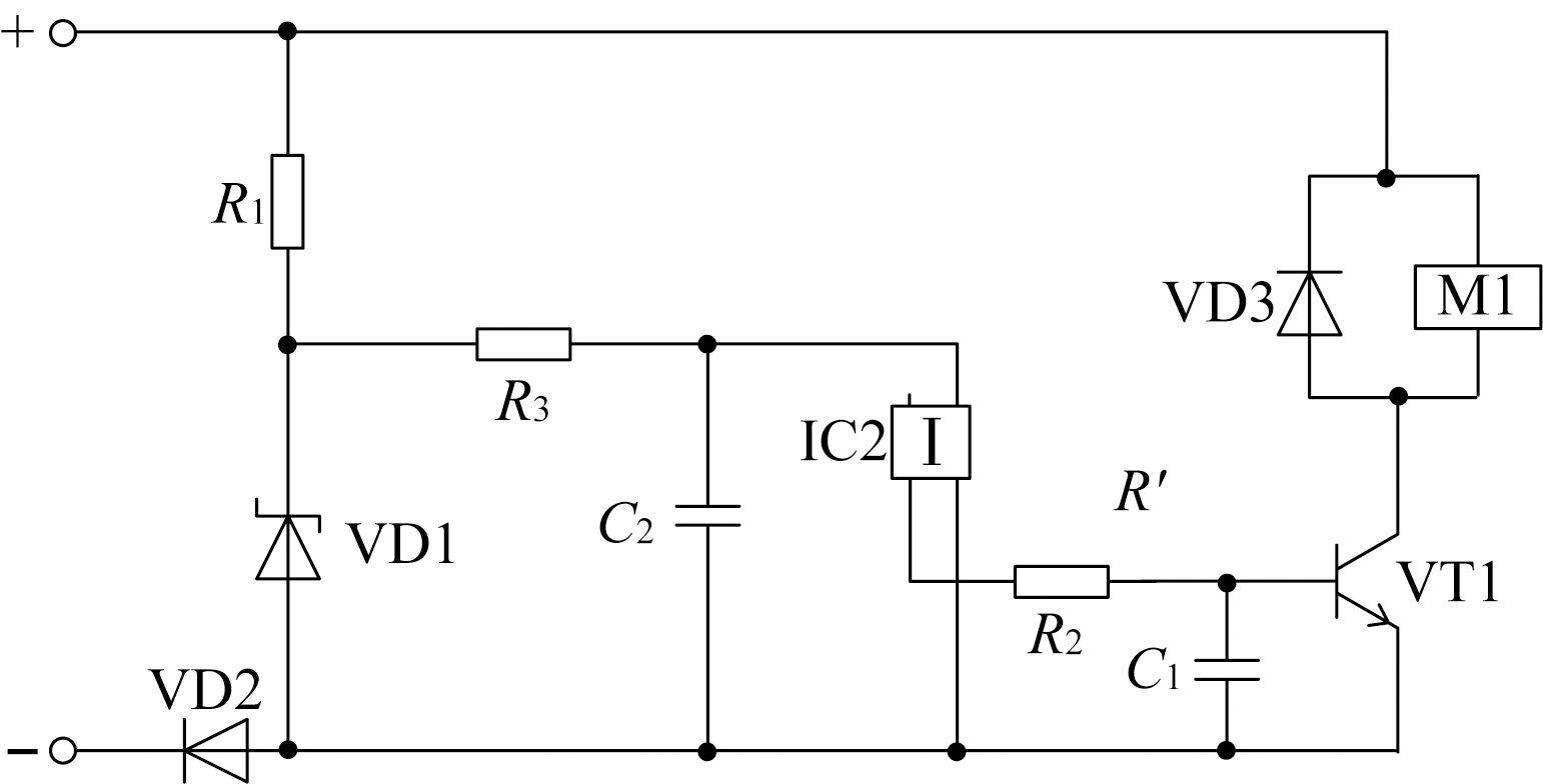
由于飞机线路系统对开关类器件电磁线圈反向电动势缺少有效的防护,导致引发的安全问题日益严重。借助机上某型继电器烧蚀故障案例,研究了反向电动势产生机理与潜在传播通路,分析了在电磁线圈、触点和电路板等器件上造成的损伤模式。通过仿真模拟和实物测试,制订了针对不同部位的防护措施,给出了防护器件的选型依据,验证了防护效果。研究结论对指导部队外场维护与排故、督促设备厂商产品优化具有一定参考价值。

关键词: 电磁线圈, 反向电动势, 潜在通路, 损伤模式, 防护研究

Abstract:

Due to the lack of effective protection against the reverse electromotive force of switch devices in the aircraft wiring system,the safety issues have become increasiugly serious.Based on the burnout failure case of a certain type of relay on board.The generation mechanism and potential propagation path of the reverse electromotive force are studied.The damage modes to different devices such as coils,contacts,and circuit boards are analyzed.Through simulation and physical testing,the protective measures for different parts are developed.The selection criteria for protective devices are given.The protective effects are verified.The obtained conclusions have certain reference value for guiding the field maintenance and troubleshooting in the military,and urging the equipment manufacturers to optimize their products.

Key words: electromagnetic coil, reverse electromotive force, potential path, damage mode, protection research

中图分类号: