LOW VOLTAGE APPARATUS ›› 2020, Vol. 0 ›› Issue (8): 45-51.doi: 10.16628/j.cnki.2095-8188.2020.08.009

• Electrical Design Discussion • Previous Articles     Next Articles

New Measurement System for Dielectric Recovery after Arc Extinction

ZHANG Zongqin1, ZHAI Xiaoshe2, AN Ping3   

  1. 1. Zunyi Product Quality Inspection and Testing Institute,Zunyi 563000,China
    2. Xi’an Jiaotong University,Xi’an 710049,China
    3. Shanghai Aike Test Equipment Co.,Ltd.,Shanghai 200063,China
  • Received:2020-06-04 Online:2020-08-30 Published:2020-09-10

Abstract:

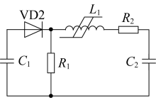
The accurate measurement of the dielectric recovery characteristics of the circuit breaker after arc extinction can provide the basis for its breaking performance research and self optimization design.However,most of the existing devices and methods for measuring the dielectric recovery characteristics of circuit breakers adopt single point measurement or multi-point measurement methods with uncontrollable pulse energy.Correspondingly,it is difficult to avoid the influence of the randomness of arc ignition on the dielectric recovery characteristics during the interruption process,or to avoid the impact of external pulse voltage on the dielectric recovery characteristics.There is a lack of multi-point testing technology and equipment with controllable single pulse energy.A new nanosecondmethod for measuring the dielectric recovery characteristics after arc extinction was proposed.According to this method,a nanosecond pulse device for measuring the dielectric recovery strength was designed and manufactured.The device has the following characteristics,80 ns leading edge,230 ns pulse width,max 10 kV amplitude,max 500 kHz frequency,max 8 mJ single pulse energy.The feasibility of the device is verified by breaking experiment,it can provide a more accurate and controllable quantitative analysis method for dielectric recovery measurement of lowvoltage electrical apparatus.

Key words: dielectric recovery, breaking performance, energy injection, nanosecond pulse

CLC Number: