电器与能效管理技术 ›› 2025, Vol. 0 ›› Issue (10): 61-71.doi: 10.16628/j.cnki.2095-8188.2025.10.009
杨祺欣, 毛行奎
收稿日期:2025-03-17
出版日期:2025-10-30
发布日期:2025-11-20
作者简介:杨祺欣(1999—),男,硕士研究生,研究方向为电力电子变流技术。|毛行奎(1978—),男,教授,博士,研究方向为电力电子变流、高频磁技术,新能源发电与储能和无线电能传输技术。
基金资助:YANG Qixin, MAO Xingkui
Received:2025-03-17
Online:2025-10-30
Published:2025-11-20
摘要:
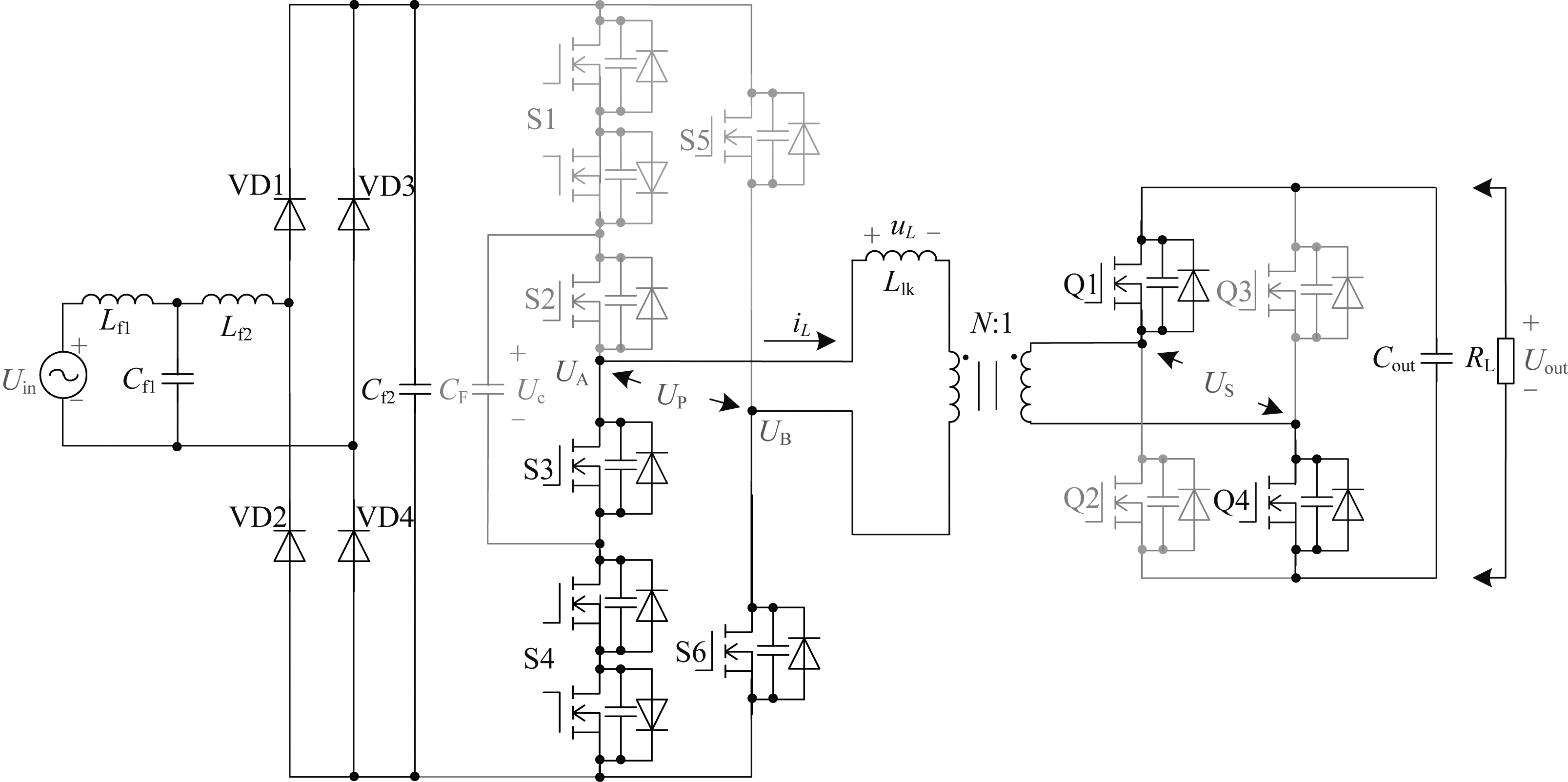
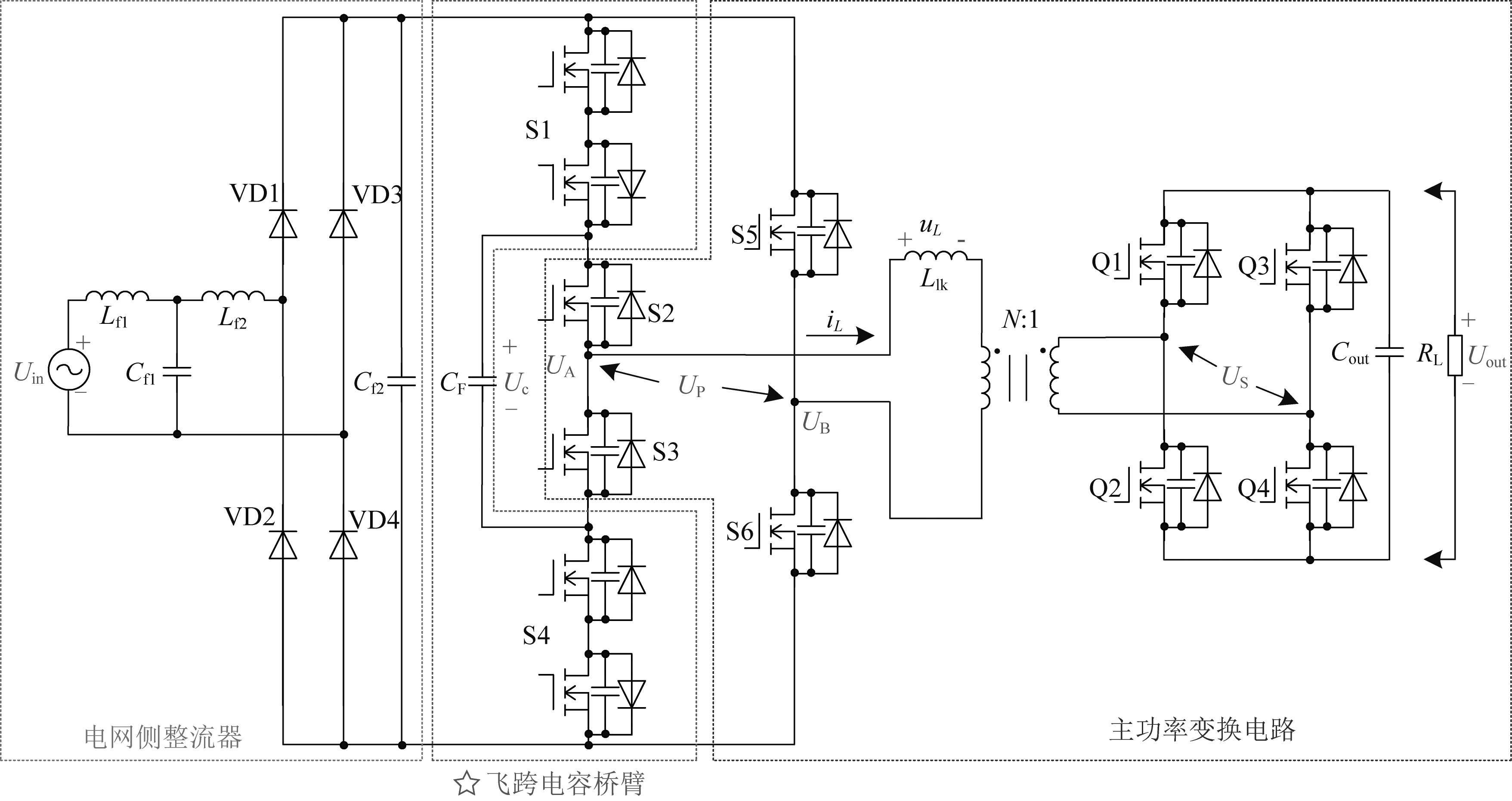
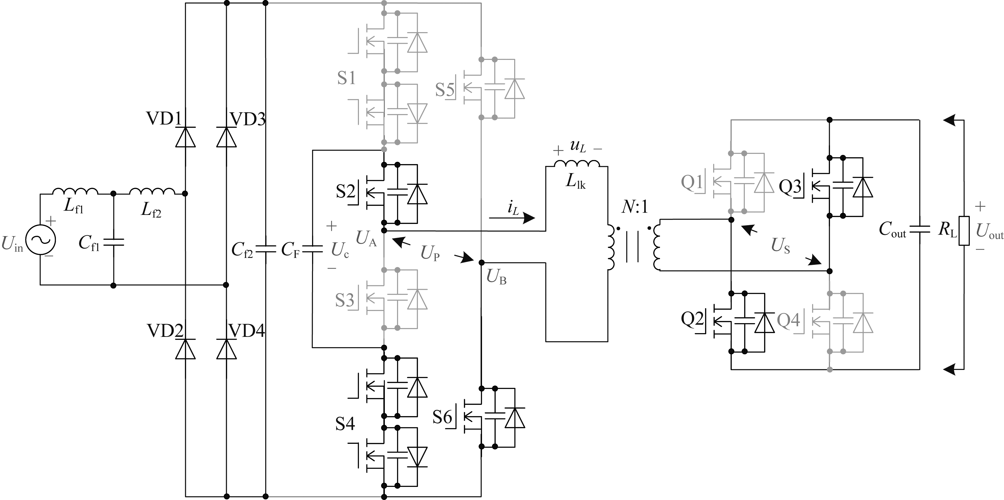
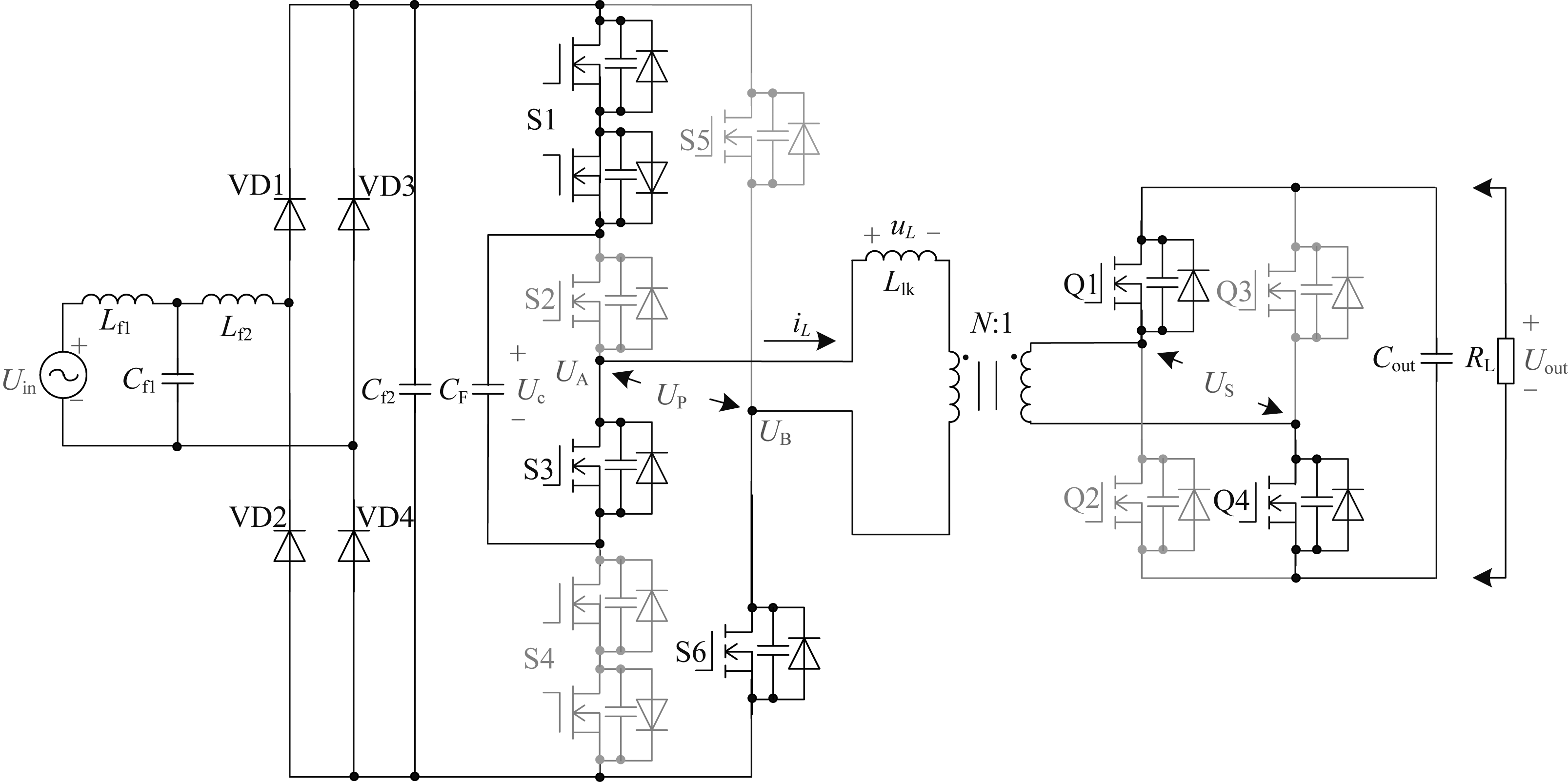
摒弃传统两级式充电架构中的直流母线设计,提出一种新型单级式飞跨电容直流充电模块方案。采用飞跨电容实现AC/DC功率解耦,构建脉动式三电平拓扑以取代传统两级架构。将主功率变换与有源脉动功率缓冲(PPB)功能集成于隔离型DC/DC变换器——双有源全桥(DAB)变换器中,实现输入与输出侧隔离,同时有效降低电压应力。最后,搭建1 kW样机,验证了理论分析与设计方案的合理性与可行性。所提方案为新能源充电桩提供了一种简化拓扑结构的解决方案,并为探索单级式拓扑的创新路径提供了参考。
中图分类号:
杨祺欣, 毛行奎. 新型单级式飞跨电容直流充电模块[J]. 电器与能效管理技术, 2025, 0(10): 61-71.
YANG Qixin, MAO Xingkui. Novel Single-Stage Flying Capacitor DC Charging Module[J]. LOW VOLTAGE APPARATUS, 2025, 0(10): 61-71.
| [1] | 张世达. 新能源汽车车载充电机(OBC)技术设计探究[J]. 汽车维修技师, 2024(4):99-101. |
| [2] | 王晓姬, 王道涵, 王柄东, 等. 电动汽车驱动/充电一体化系统及其控制策略综述[J]. 电工技术学报, 2023, 38(22):5940-5958. |
| [3] | 于东民, 杨超, 蒋林洳, 等. 电动汽车充电安全防护研究综述[J]. 中国电机工程学报, 2022, 42(6):2145-2163. |
| [4] | LIU B, DAVARI P, BLAABJERG F. A flexible control scheme for single-stage DAB AC/DC converters[C]// 2018 IEEE International Power Electronics and Application Conference and Exposition(PEAC). Shenzhen, China,2018:1-6. |
| [5] |
MA P, SHA D. A single-stage AC-DC converter based on semi dual-active-bridge with decoupled inductor current modulation strategy[J]. IEEE Transactions on Power Electronics, 2023, 38(8):10170-10182.
doi: 10.1109/TPEL.2023.3278725 |
| [6] | ZHOU W, WANG H, JIN X, et al.A single-stage AC/DC converter with wide output voltage range[C]// 2021 International Conference on Advanced Electrical Equipment and Reliable Operation(AEERO). Beijing,China,2021:1-6. |
| [7] | 范凌云, 乔志伟, 唐雪瑾. 常用电容器寿命研究[J]. 日用电器, 2021(7):34-38. |
| [8] | 张艺文, 金科. 一种单级式高功率因数无电解电容AC/DC LED驱动电源略[J]. 中国电机工程学报, 2015, 35(22):5851-5858. |
| [9] | 汪飞, 钟元旭, 李林, 等. 基于集成三端口变换器的无电解电容LED驱动[J]. 电工技术学报, 2016, 31(23):189-198. |
| [10] |
XUE L, SHEN Z, BOROYEVICH D, et al. Dual active bridge-based battery charger for plug-in hybrid electric vehicle with charging current containing low frequency ripple[J]. IEEE Transactions on Power Electronics, 2015, 30(12):7299-7307.
doi: 10.1109/TPEL.2015.2413815 |
| [11] |
QI W, LI S, YUAN H, et al. High-power-density single-phase three-level flying-capacitor Buck PFC rectifier[J]. IEEE Transactions on Power Electronics, 2019, 34(11):10833-10844.
doi: 10.1109/TPEL.63 |
| [12] |
WANG H, BLAABJERG F. Reliability of capacitors for DC-link applications in power electronic converters:An overview[J]. IEEE Transactions on Industry Applications, 2014, 50(5):3569-3578.
doi: 10.1109/TIA.2014.2308357 |
| [13] | 康志伟, 徐玉珍. 双有源桥DC-DC变换器回流功率优化策略研究[J]. 电器与能效管理技术, 2023(10):14-20. |
| [14] | 罗敏, 梁晖. LC串联谐振型双向DC/DC变换器研究[J]. 电器与能效管理技术, 2020(2):30-40. |
| [15] | 潘子墨. DAB变换器TPS控制系统的研究[D]. 北京: 北方工业大学, 2023. |
| [16] | QI W, WANG H, TAN X, et al. A novel active power decoupling single-phase PWM rectifier topology[C]// 2014 IEEE Applied Power Electronics Conference and Exposition-APEC 2014.Fort Worth, TX, USA,2014:89-95. |
| [17] |
KREIN P T, BALOG R S, MIRJAFARI M. Minimum energy and capacitance requirements for single-phase inverters and rectifiers using a ripple port[J]. IEEE Transactions on Power Electronics, 2012, 27(11):4690-4698.
doi: 10.1109/TPEL.2012.2186640 |
| [18] |
WEI Y, ZHANG B, CHEN Y, et al. A novel single-stage AC/DC converter with integrated low-voltage-stress active decoupling circuit and reduced buffer capacitance[J]. IEEE Transactions on Power Electronics, 2024, 39(8):9902-9916.
doi: 10.1109/TPEL.2024.3396000 |
| [19] | 张成林. 双有源移相全桥DC-DC变换器研究[D]. 哈尔滨: 哈尔滨工业大学, 2018. |
| [1] | 李永乐, 张树炜, 张文康, 毛行奎. 服务器电源轻载电能质量优化设计与控制[J]. 电器与能效管理技术, 2025, 0(8): 70-78. |
| [2] | 邹扬, 宋芹, 吴承龙. 一种数字控制厚膜混合集成开关电源设计[J]. 电器与能效管理技术, 2025, 0(8): 34-38. |
| [3] | 战祥新, 孙中华, 赵烨. 下垂控制的逆变器并联运行环流抑制研究[J]. 电器与能效管理技术, 2025, 0(7): 25-29. |
| [4] | 王亮, 徐玉珍, 唐剑彬. 一种新型有源箝位双向大变比DC/DC电路研究[J]. 电器与能效管理技术, 2025, 0(6): 38-43. |
| [5] | 惠琪, 张建伟. V2G充电桩的双向谐振变换器PFC优化调制策略[J]. 电器与能效管理技术, 2025, 0(6): 32-37. |
| [6] | 欧长江, 杨正男. 一种高功率密度抗辐射POL电源设计[J]. 电器与能效管理技术, 2025, 0(6): 44-50. |
| [7] | 黄菊, 姚泽鹏, 周俊辉, 郑宗华, 毛行奎. 大功率直流充电模块设计[J]. 电器与能效管理技术, 2025, 0(5): 43-51. |
| [8] | 梁寰宇, 郑策临, 刘心漪, 张石磊. 一种混合高降压比DC/DC变换器设计与研究[J]. 电器与能效管理技术, 2025, 0(5): 63-67. |
| [9] | 李世茂, 黄晓生, 沈焜, 林抒毅. 基于谐振腔电流优化的CLLC变换器参数设计[J]. 电器与能效管理技术, 2025, 0(4): 31-40. |
| [10] | 武建松, 刘宏勋, 骆立实, 赵波, 李维江, 张桂芳. 推挽型电力电子变压器的仿真研究[J]. 电器与能效管理技术, 2025, 0(4): 26-30. |
| [11] | 朱理鹏, 杨国润, 文灿辉, 宋素静. 高电压输入低电压输出直流辅助电源设计与分析[J]. 电器与能效管理技术, 2025, 0(4): 47-53. |
| [12] | 王易, 王啸晨, 谢群, 邹一帆, 吕建国. 基于自适应误差校正的并网逆变器模型预测控制方法研究[J]. 电器与能效管理技术, 2025, 0(3): 46-53. |
| [13] | 陈坤鹏, 肖文勋. 三电平电路损耗分析及温升优化方法研究[J]. 电器与能效管理技术, 2025, 0(2): 24-28. |
| [14] | 姜冬怡, 杨松, 张纯亚. 一种单端反激同步整流防倒灌驱动电路设计[J]. 电器与能效管理技术, 2025, 0(2): 53-57. |
| [15] | 张纯亚, 姜冬怡, 蒋云杨. 一种倍压型反馈供电电路设计[J]. 电器与能效管理技术, 2025, 0(2): 58-63. |
| 阅读次数 | ||||||
|
全文 |
|
|||||
|
摘要 |
|
|||||