电器与能效管理技术 ›› 2025, Vol. 0 ›› Issue (10): 55-60.doi: 10.16628/j.cnki.2095-8188.2025.10.008

• 研究与分析 • 上一篇    下一篇

光伏场站耦合电解制氢系统经济性优化调度研究

刘俊彪, 周一鸣, 季振东   

  1. 南京理工大学 自动化学院, 江苏 南京 210094
  • 收稿日期:2025-08-02 出版日期:2025-10-30 发布日期:2025-11-20
  • 作者简介:刘俊彪(1999—),男,硕士研究生,主要研究方向为可再生能源制氢系统优化运行。|周一鸣(1998—),男,硕士研究生,主要研究方向为制氢电源控制及应用。|季振东(1986—),男,博士,副研究员,主要研究方向为电力电子在电力系统中的应用。
  • 基金资助:
    国家自然科学基金项目(51707098)

Research on Economic Optimal Scheduling of Photovoltaic Power Station Coupled with Electrolytic Hydrogen Production System

LIU Junbiao, ZHOU Yiming, JI Zhendong   

  1. School of Automation, Nanjing University of Science and Technology, Nanjing 210094, China
  • Received:2025-08-02 Online:2025-10-30 Published:2025-11-20

摘要:

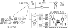
氢能具有清洁、高能量密度的特点,是可再生能源大规模消纳和能源清洁化利用的重要技术路径。针对光伏耦合电解制氢系统的经济性问题,提出一种基于不同电价的系统协同运行功率优化分配策略。建立光伏和碱性电解槽的数学模型,并分析电解槽产氢速率与功耗之间的非线性动态关系。在此基础上,以系统总收益最大化为目标,所提策略利用电价差异引导能量在并网售电与电解制氢之间进行动态分配。结果表明,所提策略能根据电价和光伏出力情况,有效优化功率分配,从而在不同时段均实现收益最大化,为光伏耦合制氢系统经济运行提供了技术支撑。

关键词: 光伏, 制氢, 制氢电源, 收益优化

Abstract:

Hydrogen energy, characterized by its clean nature and high energy density, is a key technical pathway for the large-scale integration of renewable energy and clean energy utilization.To address the economic challenges of photovoltaic(PV)-coupled electrolytic hydrogen production systems, a coordinated operational strategy for optimal power allocation based on varying electricity prices is proposed.Mathematical models for the PV system and the alkaline electrolyzer are developed, and the nonlinear dynamic relationship between the electrolyzer's hydrogen production rate and its power consumption is analyzed.On this basis, with the objective of maximizing total system revenue, the proposed strategy utilizes electricity price differences to dynamically allocate energy between grid sales and electrolytic hydrogen production.The results show that the strategy effectively optimizes power allocation according to electricity prices and PV power output, thereby achieving revenue maximization in different time periods.This work provides technical support for the economic operation of PV-coupled hydrogen production systems.

Key words: photovoltaics, hydrogen production, power supply for hydrogen production, revenue optimization

中图分类号: